onsemi FGPF4536 for sale
onsemi FGPF4536 for sale

onsemi FGPF4536

Manufacturer: onsemi
Mfr. Part #: FGPF4536
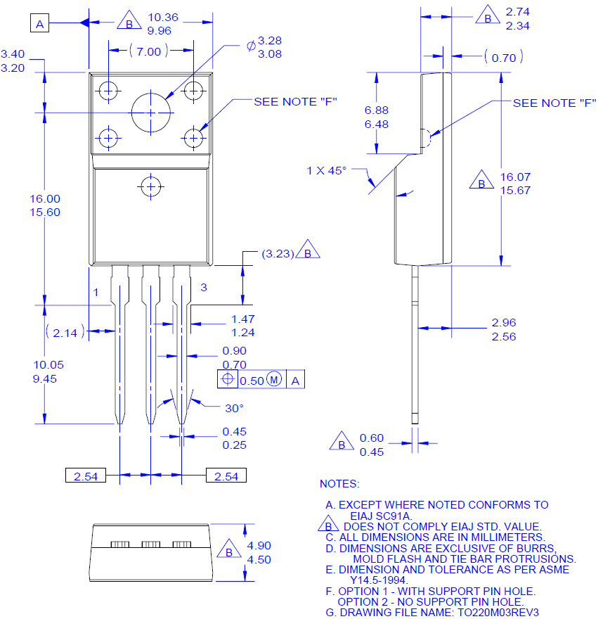
Package: TO-220F-3
Customer #:
Description: 28.4W 360V TO-220F-3 Single IGBTs RoHS
Products Specifications
Manufacturer:
Package:
TO-220F-3
Pd - Power Dissipation:
28.4W
Collector-Emitter Breakdown Voltage (Vces):
360V
Input Capacitance(Cies):
-
IGBT Type:
-
Gate-Emitter Threshold Voltage (Vge(th)@Ic):
-
Gate Charge(Qg):
47nC
Turn-On Energy (Eon):
-

Additional Information

Type Details
Minimum 1
Multiple 1
Standard Packaging 50
Sales Unit Piece

Compliance & Export Codes

Type Details
RoHS
ECCN EAR99
CNHTS 8541600000
USHTS 8541600080
TARIC 8541600000
CAHTS 8541600010
BRHTS 85416010
INHTS 85416000
MXHTS 8541.60.01

About Product

onsemi FGPF4536 onsemi FGPF4536 onsemi FGPF4536 onsemi FGPF4536 onsemi FGPF4536 onsemi FGPF4536 onsemi FGPF4536 onsemi FGPF4536
Get Best Price
svg
Inquiry
Negotiate
Payment
Shipping
onsemi
19033 Products
International Brand
onsemi, founded in 1999, has become one of the world's leading semiconductor solution providers through acquisitions and organic growth. It primarily produces power management, analog signal processing, logic ICs, discrete components, and sensors.