YXC Crystal Oscillators OG8EL89CEI-112YLC-200M for sale
YXC Crystal Oscillators OG8EL89CEI-112YLC-200M for sale
YXC Crystal Oscillators OG8EL89CEI-112YLC-200M for sale

YXC Crystal Oscillators OG8EL89CEI-112YLC-200M

Manufacturer: YXC Crystal Oscillators Asian Brands
Mfr. Part #: OG8EL89CEI-112YLC-200M
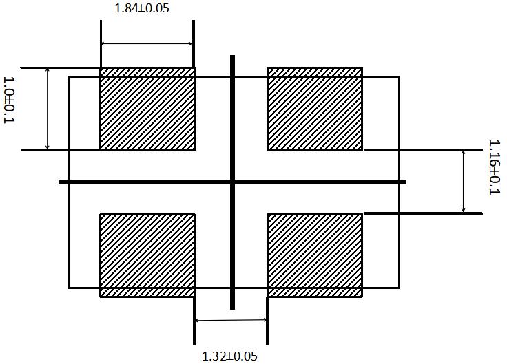
Package: SMD7050-4P
Customer #:
Description: 3.3V 200MHz SMD7050-4P Oscillators RoHS
Products Specifications
Package:
SMD7050-4P
Current - Supply:
-
Operating Temperature:
-40℃~+85℃
Voltage - Supply:
3.3V
Frequency Stability:
±50ppm
Output Type:
CMOS
Frequency:
200MHz

Additional Information

Type Details
Minimum 1
Multiple 1
Standard Packaging 1000
Sales Unit Piece

About Product

YXC Crystal Oscillators OG8EL89CEI-112YLC-200M YXC Crystal Oscillators OG8EL89CEI-112YLC-200M YXC Crystal Oscillators OG8EL89CEI-112YLC-200M
Get Best Price
svg
Inquiry
Negotiate
Payment
Shipping
YXC Crystal Oscillators
565 Products
Authorised Brand Asian Brand
Shenzhen Yangxing Technology Co., Ltd. (hereafter referred to as "YXC" or "YXC Crystal Oscillators") was established in 1986. It is a well-experienced supplier and manufacturer of crystal oscillators, primarily focused on frequency control products. YXC is embracing automation in its traditional quartz crystal oscillator processes. The company is also dedicated to the research and development of new products. Among YXC's core offerings, the programmable crystal oscillator has been patented and has received the National Science and Technology Innovation Award. YXC produces a variety of oscillators, including silicon/quartz oscillators and differential/voltage-controlled programming oscillators. Key parameters, such as frequency and voltage, can be programmed, with frequencies reaching up to 1.5 GHz. This capability allows YXC to meet the diverse requirements of global customers, and the company has achieved large-scale production. Integrated circuits (ICs) are at the heart of active cry