TOSHIBA TB62D901FNG,EL for sale
TOSHIBA TB62D901FNG,EL for sale

TOSHIBA TB62D901FNG,EL

Manufacturer: TOSHIBA
Mfr. Part #: TB62D901FNG,EL
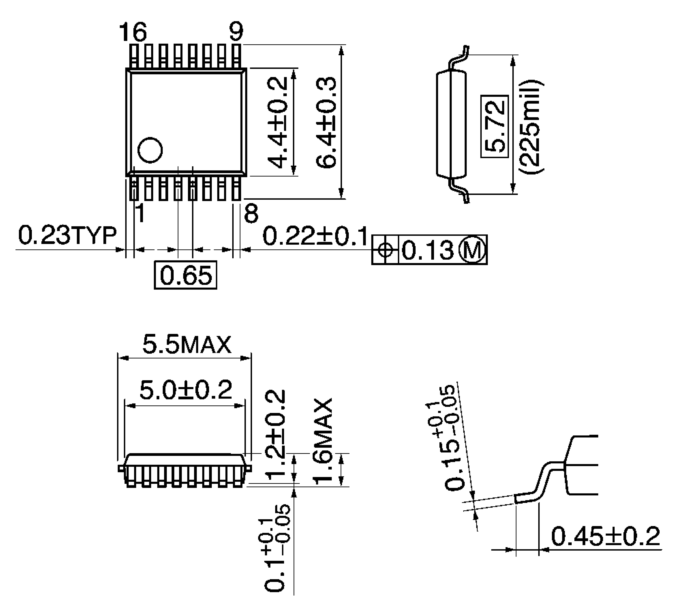
Package: SSOP-16-4.4mm
Customer #:
Description: SSOP-16-4.4mm LED Drivers ICs RoHS
Products Specifications

Additional Information

Type Details
Minimum 1
Multiple 1
Standard Packaging 2000
Sales Unit Piece

About Product

TOSHIBA TB62D901FNG,EL TOSHIBA TB62D901FNG,EL TOSHIBA TB62D901FNG,EL TOSHIBA TB62D901FNG,EL TOSHIBA TB62D901FNG,EL TOSHIBA TB62D901FNG,EL TOSHIBA TB62D901FNG,EL TOSHIBA TB62D901FNG,EL TOSHIBA TB62D901FNG,EL TOSHIBA TB62D901FNG,EL
Get Best Price
svg
Inquiry
Negotiate
Payment
Shipping
TOSHIBA
4272 Products
International Brand
Toshiba Semiconductor and Storage Products, United States is an independent operating company owned byToshiba America, Inc., a subsidiary of Toshiba Corporation, Japan's largest semiconductor manufacturer. Toshiba is a global leader in the design and manufacture of high-quality Flash memory-based storage solutions, discrete devices, custom SoCs/ASICs, digital multimedia and imaging products, microcontrollers (MCUs), and wireless components.Toshiba products are ideal for automotive, imaging, LED lighting, mobile, multimedia, and wireless applications.