SMC UG3KB10G for sale
SMC UG3KB10G for sale
SMC UG3KB10G for sale

SMC UG3KB10G

Manufacturer: SMC Asian Brands
Mfr. Part #: UG3KB10G
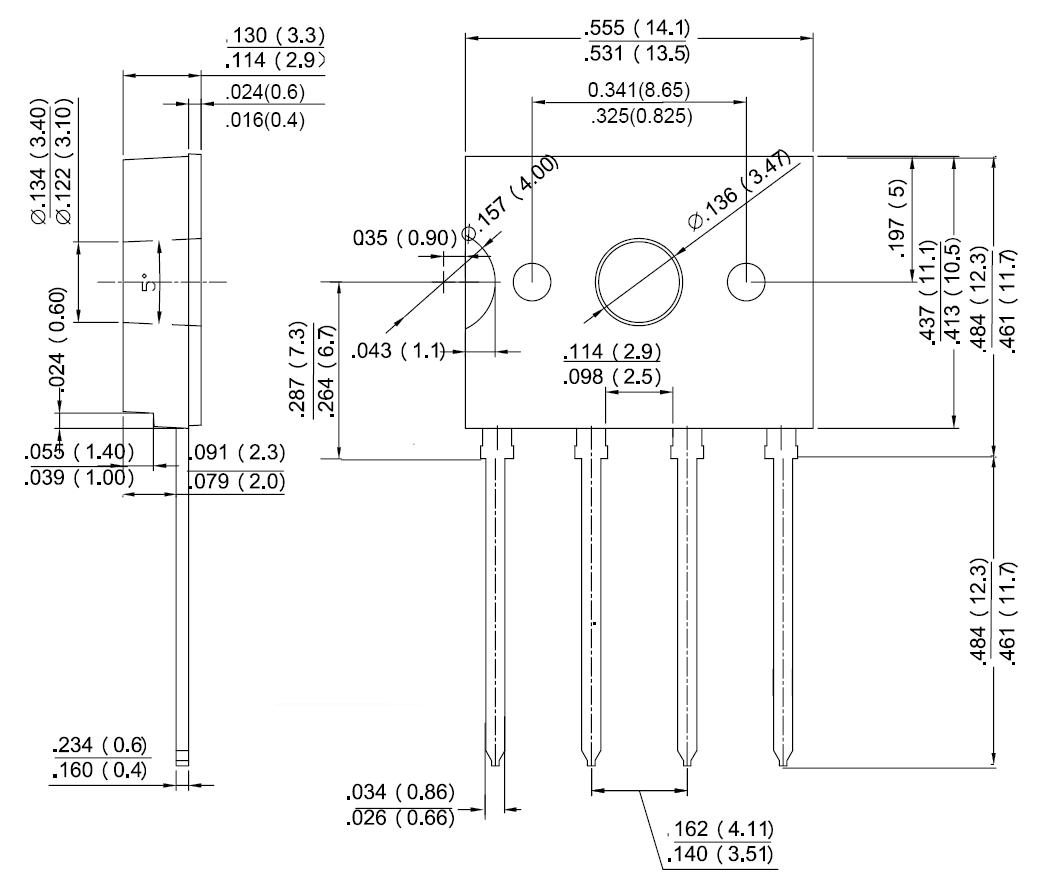
Package: SIP-4
Customer #:
Description: 60A 1.1V@3A 3A 100V SIP-4 Bridge Rectifiers RoHS
Datasheet: SMC UG3KB10G
Products Specifications
Manufacturer:
Package:
SIP-4
Non-Repetitive Peak Forward Surge Current:
60A
Operating Junction Temperature Range:
-55℃~+150℃@(Tj)
Voltage - Forward(Vf@If):
1.1V@3A
Current - Rectified:
3A
Voltage - DC Reverse(Vr):
100V

Additional Information

Type Details
Minimum 1
Multiple 1
Standard Packaging 35
Sales Unit Piece

About Product

SMC UG3KB10G SMC UG3KB10G SMC UG3KB10G SMC UG3KB10G SMC UG3KB10G
Get Best Price
svg
Inquiry
Negotiate
Payment
Shipping
SMC
1348 Products
Authorised Brand Asian Brand
Sangdest Microelectronics (Nanjing) Co., Ltd. (hereinafter referred to as "SMC") was founded in 1997. It introduced advanced technology and started production in a wafer fab. In 2010, the company became independent and sold under the SMC brand. SMC's main products are silicon discrete devices, silicon carbide products, silicon wafers and grains, which are widely used in aviation, new energy, automobiles, computers, consumer electronics, industry, power supplies, lighting, medical and other fields. SMC has always been committed to designing and producing semiconductor products according to customer needs. Its team focuses on the production and on-time delivery of high-quality products, providing accurate and efficient driving force for your product innovation.