SKYWORKS SI86SW62BC-IS1R for sale
SKYWORKS SI86SW62BC-IS1R for sale

SKYWORKS SI86SW62BC-IS1R

Manufacturer: SKYWORKS
Mfr. Part #: SI86SW62BC-IS1R
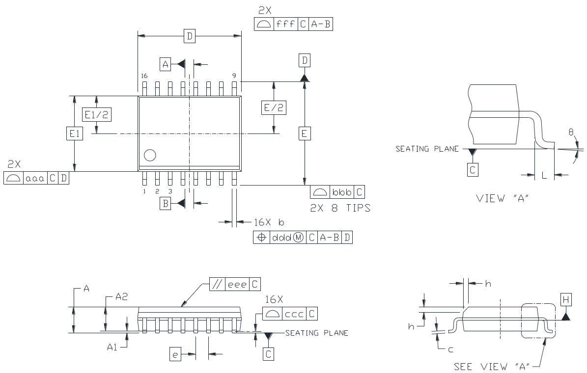
Package: SOIC-16
Customer #:
Description: SOIC-16 Digital Isolators RoHS
Products Specifications
Manufacturer:
Package:
SOIC-16
CMTI(kV/us):
100kV/us
Default Output:
High Level;Low Level
Number of Forward Channels:
4
Number of Reverse Channels:
2
Isolation Voltage(Vrms):
6000
Operating Temperature:
-40℃~+125℃
Data Rate(Max):
150Mbps

Additional Information

Type Details
Minimum 1
Multiple 1
Standard Packaging 2500
Sales Unit Piece

About Product

SKYWORKS SI86SW62BC-IS1R SKYWORKS SI86SW62BC-IS1R SKYWORKS SI86SW62BC-IS1R SKYWORKS SI86SW62BC-IS1R SKYWORKS SI86SW62BC-IS1R SKYWORKS SI86SW62BC-IS1R SKYWORKS SI86SW62BC-IS1R SKYWORKS SI86SW62BC-IS1R SKYWORKS SI86SW62BC-IS1R SKYWORKS SI86SW62BC-IS1R
Get Best Price
svg
Inquiry
Negotiate
Payment
Shipping
SKYWORKS
3677 Products
International Brand
Skyworks Solutions, Inc. is empowering the wireless networking revolution. Our highly innovative analog semiconductors are connecting people, places and things spanning a number of new and previously unimagined applications within the automotive, broadband, cellular infrastructure, connected home, industrial, medical, military, smartphone, tablet and wearable markets. Headquartered in Woburn, Massachusetts, Skyworks is a global company with engineering, marketing, operations, sales, and service facilities located throughout Asia, Europe and North America.