onsemi FSB50660SFT for sale
onsemi FSB50660SFT for sale
onsemi FSB50660SFT for sale
onsemi FSB50660SFT for sale

onsemi FSB50660SFT

Manufacturer: onsemi
Mfr. Part #: FSB50660SFT
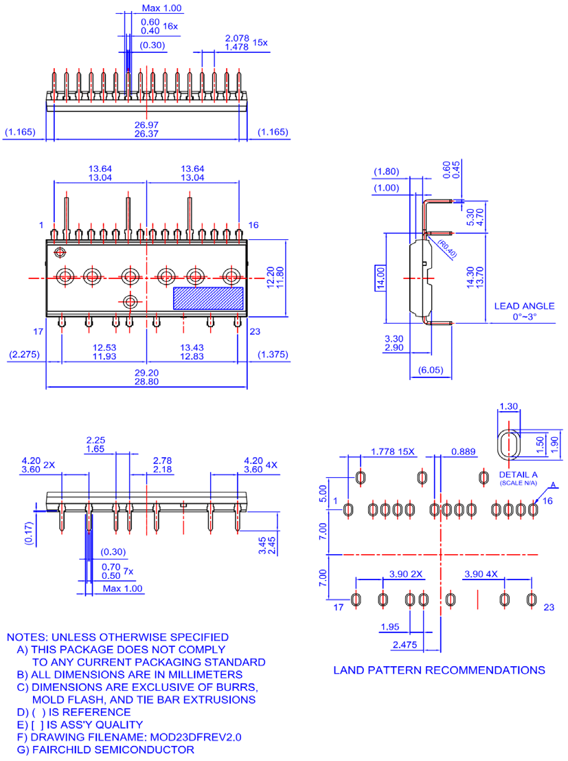
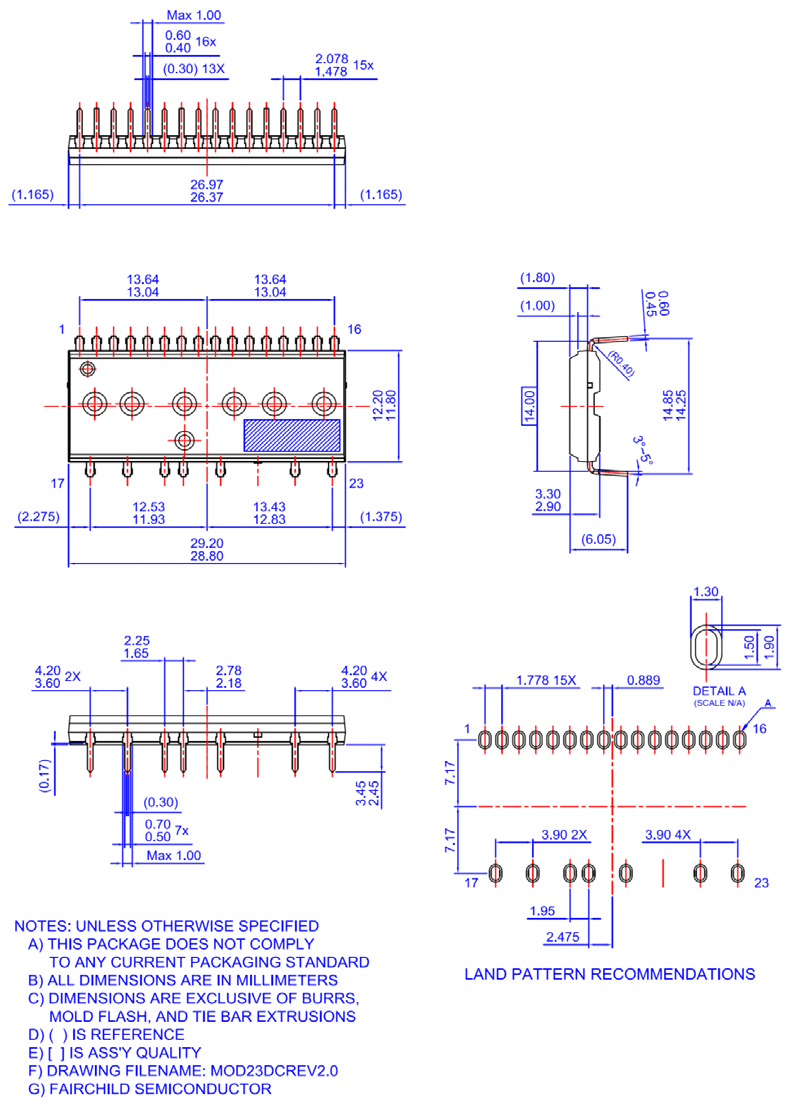
Package: DIP-23
Customer #:
Description: DIP-23 Power Driver Modules RoHS
Products Specifications
Manufacturer:
Package:
DIP-23

Additional Information

Type Details
Minimum 1
Multiple 1
Standard Packaging 180
Sales Unit Piece

Compliance & Export Codes

Type Details
RoHS
ECCN EAR99
CNHTS 8542399000
USHTS 8542390001
TARIC 8542399000
CAHTS 8542390000
BRHTS 85423999
INHTS 85423900
MXHTS 8542.39.99

About Product

onsemi FSB50660SFT onsemi FSB50660SFT onsemi FSB50660SFT onsemi FSB50660SFT onsemi FSB50660SFT onsemi FSB50660SFT onsemi FSB50660SFT onsemi FSB50660SFT onsemi FSB50660SFT onsemi FSB50660SFT
Get Best Price
svg
Inquiry
Negotiate
Payment
Shipping
onsemi
19033 Products
International Brand
onsemi, founded in 1999, has become one of the world's leading semiconductor solution providers through acquisitions and organic growth. It primarily produces power management, analog signal processing, logic ICs, discrete components, and sensors.