NOVOSENSE NSA9260X-QSSR for sale
NOVOSENSE NSA9260X-QSSR for sale

NOVOSENSE NSA9260X-QSSR

Manufacturer: NOVOSENSE Asian Brands
Mfr. Part #: NSA9260X-QSSR
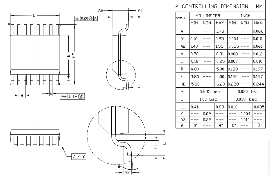
Package: SSOP-16-150mil
Customer #:
Description: SSOP-16-150mil Pressure Sensors, Transducers RoHS
Products Specifications
Manufacturer:
Package:
SSOP-16-150mil

Additional Information

Type Details
Minimum 1
Multiple 1
Standard Packaging 2500
Sales Unit Piece

About Product

NOVOSENSE NSA9260X-QSSR NOVOSENSE NSA9260X-QSSR NOVOSENSE NSA9260X-QSSR NOVOSENSE NSA9260X-QSSR NOVOSENSE NSA9260X-QSSR NOVOSENSE NSA9260X-QSSR NOVOSENSE NSA9260X-QSSR NOVOSENSE NSA9260X-QSSR NOVOSENSE NSA9260X-QSSR NOVOSENSE NSA9260X-QSSR
Get Best Price
svg
Inquiry
Negotiate
Payment
Shipping
NOVOSENSE
155 Products
Authorised Brand Asian Brand
NOVOSENSE Microelectronics Co., Ltd. is a highly robust & reliable analog and mixed-signal chip company. Since its establishment in 2013, the company has been focusing on sensor, signal chain, and power management, providing comprehensive semiconductor products and solutions, which are widely used in automotive, industrial, information communication, and consumer electronics markets. With the mission of "Sense & drive the future, build a green, smart, and connected world with semiconductors”, the company is committed to providing chip-level solutions to link the digital world and the real world.