MICROCHIP 469-01 for sale
MICROCHIP 469-01 for sale
MICROCHIP 469-01 for sale
MICROCHIP 469-01 for sale

MICROCHIP 469-01

Manufacturer: MICROCHIP
Mfr. Part #: 469-01
Package: -
Customer #:
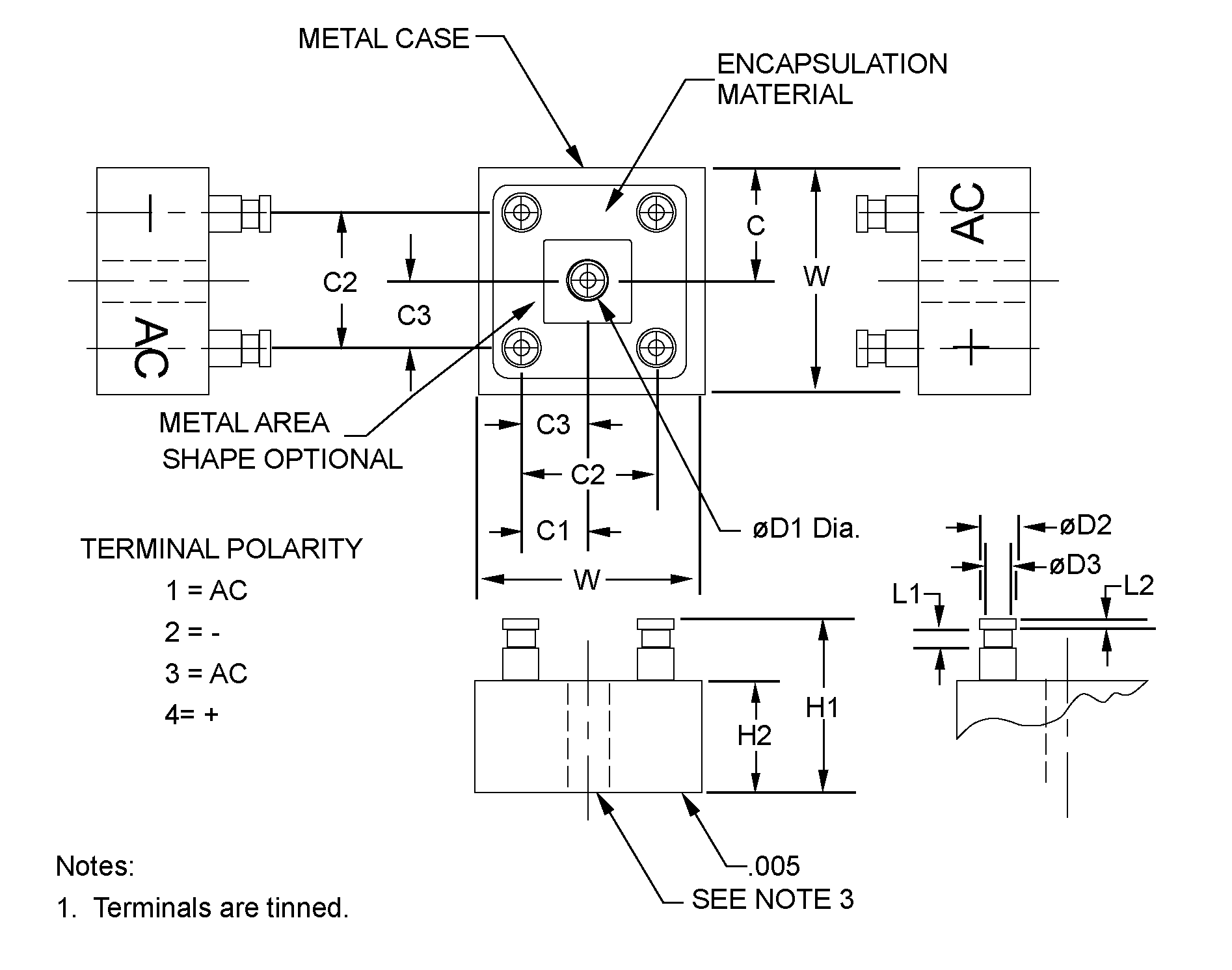
Description: 100A 1.35V@15.7A 10A 200V Bridge Rectifiers
Products Specifications
Manufacturer:
Package:
-
Non-Repetitive Peak Forward Surge Current:
100A
Operating Junction Temperature Range:
-65℃~+150℃@(Tj)
Voltage - Forward(Vf@If):
1.35V@15.7A
Current - Rectified:
10A
Voltage - DC Reverse(Vr):
200V

Additional Information

Type Details
Minimum 1
Multiple 1
Standard Packaging 1
Sales Unit Piece

Compliance & Export Codes

Type Details
ECCN EAR99
CNHTS 8504409190
USHTS 8504409540
TARIC 8504409590
CAHTS 8504409099
BRHTS 85044090
INHTS 85044090
MXHTS 8504.40.99

About Product

MICROCHIP 469-01 MICROCHIP 469-01 MICROCHIP 469-01 MICROCHIP 469-01 MICROCHIP 469-01 MICROCHIP 469-01
Get Best Price
svg
Inquiry
Negotiate
Payment
Shipping
MICROCHIP
24560 Products
International Brand
Microchip Technology - Microchip Technology Inc. is a leading provider of microcontroller and analog semiconductors, providing low-risk product development, lower total system cost and faster time to market for thousands of diverse customer applications worldwide. Headquartered in Chandler, Arizona, Microchip offers outstanding technical support along with dependable delivery and quality.