ISSI IS31AP4833-TQLS2 for sale
ISSI IS31AP4833-TQLS2 for sale
ISSI IS31AP4833-TQLS2 for sale

ISSI IS31AP4833-TQLS2

Manufacturer: ISSI
Mfr. Part #: IS31AP4833-TQLS2
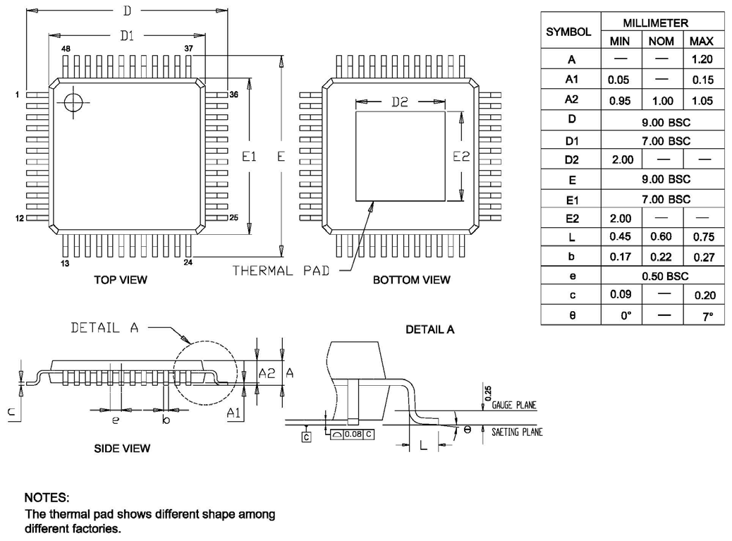
Package: TQFP-48
Customer #:
Description: 2-Channel TQFP-48 Audio Amplifiers RoHS
Products Specifications
Manufacturer:
Package:
TQFP-48
Speaker Channels:
2-Channel
Class:
-

Additional Information

Type Details
Minimum 1
Multiple 1
Standard Packaging 250
Sales Unit Piece

Compliance & Export Codes

Type Details
RoHS
ECCN EAR99
CNHTS 8542339000
USHTS 8542330001
TARIC 8542339000
CAHTS 8542330000
BRHTS 85423390
INHTS 85423300
MXHTS 8542.33.99

About Product

ISSI IS31AP4833-TQLS2 ISSI IS31AP4833-TQLS2 ISSI IS31AP4833-TQLS2 ISSI IS31AP4833-TQLS2 ISSI IS31AP4833-TQLS2 ISSI IS31AP4833-TQLS2 ISSI IS31AP4833-TQLS2 ISSI IS31AP4833-TQLS2 ISSI IS31AP4833-TQLS2 ISSI IS31AP4833-TQLS2
Get Best Price
svg
Inquiry
Negotiate
Payment
Shipping
ISSI
4132 Products
International Brand
Integrated Silicon Solution, Inc. (ISSI) designs, and develops high performance integrated circuits for digital consumer electronics, networking, mobile communications, and automotive electronics.