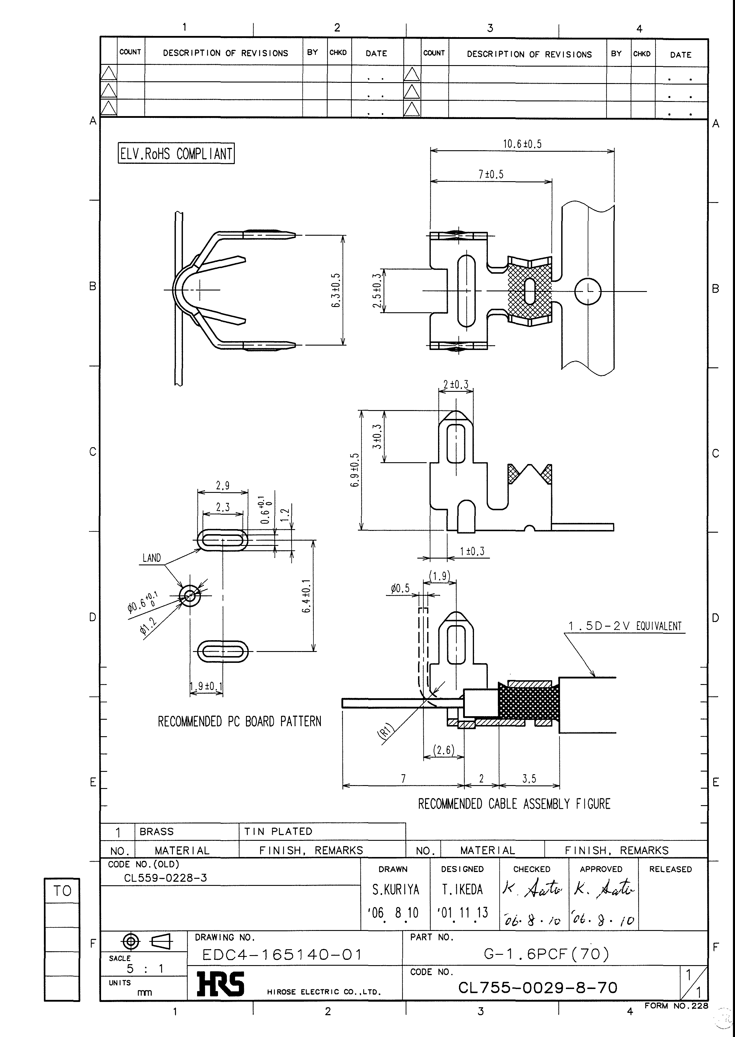
HRS G-1.6PCF(70)
Manufacturer:
HRS
Mfr. Part #:
G-1.6PCF(70)
Package:
-
Customer #:
Description:
Rectangular Connector Contacts RoHS
Datasheet:
HRS G-1.6PCF(70)
Products Specifications
Manufacturer:
Package:
-
Contact Plating:
Tin
Additional Information
| Type | Details |
|---|---|
| Minimum | 1 |
| Multiple | 1 |
| Standard Packaging | 1500 |
| Sales Unit | Piece |
Compliance & Export Codes
| Type | Details |
|---|---|
| RoHS |
|
| ECCN | EAR99 |
| CNHTS | 8536901100 |
| USHTS | 8536908585 |
| TARIC | 8536901000 |
| CAHTS | 8536900090 |
| BRHTS | 85369010 |
| INHTS | 85369010 |
| MXHTS | 8536.90.11 |
About Product
Get Best Price
Inquiry
Negotiate
Payment
Shipping
HRS
8735 Products
In order to more actively carry out marketing in Shanghai and east China, we opened "Shanghai Hirose Electric Co., Ltd. Shanghai Office" in Shanghai in 2001. In order to satisfy various commercial conditions and to narrow the distance between Shanghai and its neighboring customers, we established Hirose Electric Trading (Shanghai) Co., Ltd., a local corporate entity, in Shanghai in 2003. In December 2003, in order to carry out the work in southern China, we opened "Hirose Electric Co., Ltd. Shenzhen Representative Office" in Shenzhen. After Shenzhen, we have successively opened "Beijing Representative Office of Hirose Electric Corporation" in Beijing to cover the work in North China. Our high-quality, multi-breed and innovative products have always been a leader in the connector industry. Meanwhile, the rapidly expanding Chinese electronics market will give us more power and continue to maintain our leading position.
Recommended Products