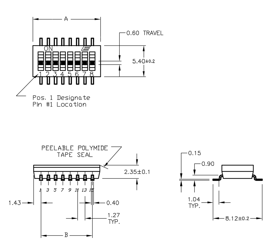
E-Switch KAD10LHGT
Manufacturer:
E-Switch
Mfr. Part #:
KAD10LHGT
Package:
-
Customer #:
Description:
DIP Switches/SIP Switches RoHS
Datasheet:
E-Switch KAD10LHGT
Products Specifications
Additional Information
| Type | Details |
|---|---|
| Minimum | 1 |
| Multiple | 1 |
| Standard Packaging | 18 |
| Sales Unit | Piece |
Compliance & Export Codes
| Type | Details |
|---|---|
| RoHS |
|
| ECCN | EAR99 |
| CNHTS | 8536500090 |
| USHTS | 8536507000 |
| TARIC | 8536500300 |
| CAHTS | 8536501000 |
| BRHTS | 85365090 |
| INHTS | 85365090 |
| MXHTS | 8536.50.09 |
About Product
Get Best Price
Inquiry
Negotiate
Payment
Shipping
E-Switch
2436 Products
E-Switch offers a broad product portfolio of electromechanical switch solutions. By delivering innovative and quality switches since 1979, E-Switch has a good reputation with their customers in the electronics, telecom, high tech, medical, instrumentation, industrial, audio/visual, appliance and consumer markets. E-Switch product lines include tact, pushbutton, rocker, toggle, slide DIP, rotary, keylock, snap action, power, and illuminated switches, among many custom applications such as trigger switches. 3D Models are available to help with application design.
Recommended Products