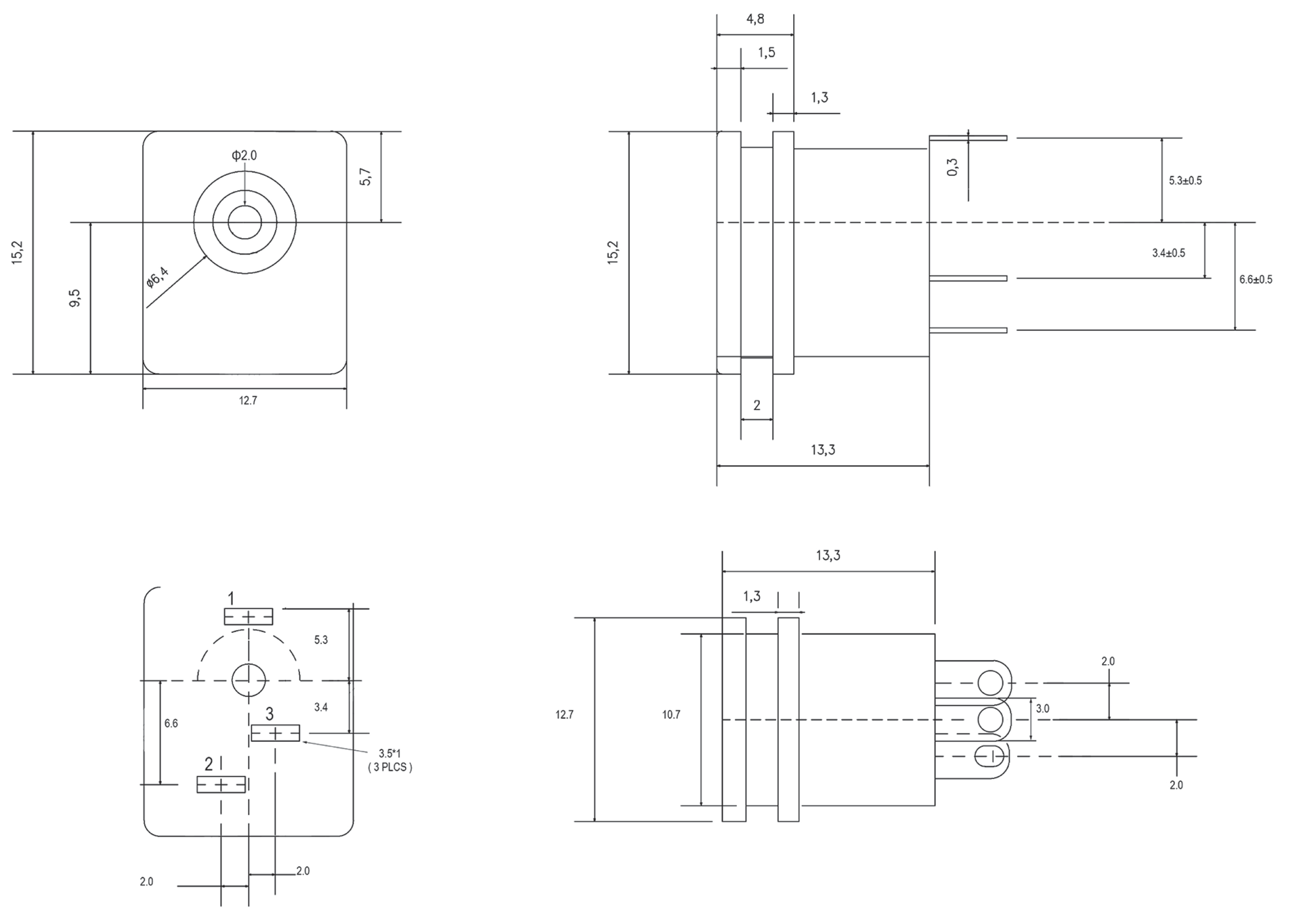
CUI PJ-009AH
Manufacturer:
CUI
Mfr. Part #:
PJ-009AH
Package:
-
Customer #:
Description:
Power Connectors RoHS
Datasheet:
CUI PJ-009AH
Products Specifications
Additional Information
| Type | Details |
|---|---|
| Minimum | 1 |
| Multiple | 1 |
| Standard Packaging | 500 |
| Sales Unit | Piece |
Compliance & Export Codes
| Type | Details |
|---|---|
| RoHS |
|
| ECCN | EAR99 |
| CNHTS | 8536901100 |
| USHTS | 8536908585 |
| TARIC | 8536901000 |
| CAHTS | 8536900090 |
| BRHTS | 85369010 |
| INHTS | 85369010 |
| MXHTS | 8536.90.11 |
About Product
Get Best Price
Inquiry
Negotiate
Payment
Shipping
CUI
7527 Products
CUI is a technology company focused on the development and distribution of electronic components. At the leading edge of power supply design, the organization supports customers as they strive to improve the energy efficiency and environmental credentials of their application. The company's power group is complemented by a portfolio of world-class board level components, consisting of interconnect, sound, motion control and thermal products. An unwavering commitment to create collaborative partnerships with customers and a drive to see that their design project is a success has been a hallmark of CUI's sustained growth since its founding in 1989.
Recommended Products