CND-tek H0013NLTP for sale
CND-tek H0013NLTP for sale
CND-tek H0013NLTP for sale

CND-tek H0013NLTP

Manufacturer: CND-tek
Mfr. Part #: H0013NLTP
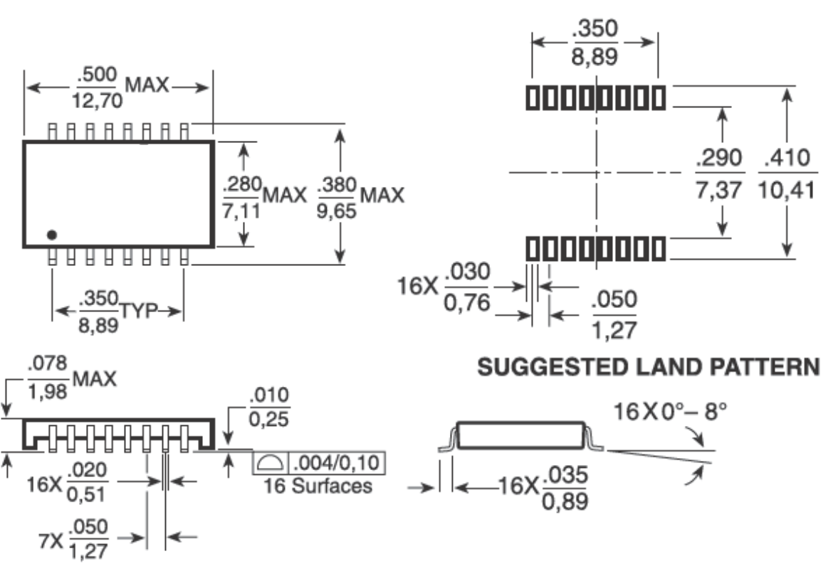
Package: SMD-16P,12.7x7.1mm
Customer #:
Description: 1.5kV 1:1 100M SMD-16P,12.7x7.1mm Pulse Transformers RoHS
Products Specifications
Manufacturer:
Package:
SMD-16P,12.7x7.1mm
Isolation Voltage(Vrms):
1.5kV
Inductance:
350uH
Operating Temperature:
-40℃~+85℃
Turns Ratio:
1:1
rate:
100M

Compliance & Export Codes

Type Details
RoHS
ECCN -
CNHTS 8504319000
USHTS 8504312000
TARIC 8504318090
CAHTS 8504310020
BRHTS 85043199
INHTS 85043100
MXHTS 8504.31.99

About Product

CND-tek H0013NLTP
Get Best Price
svg
Inquiry
Negotiate
Payment
Shipping
CND-tek
780 Products
Authorised Brand Asian Brand
Shenzhen Cilianda Electronics Co., Ltd. (hereinafter referred to as "CND-tek") was established in 2002. It is a technology-driven manufacturing enterprise specializing in the R&D, production, and sale of communication transformers, filters, and inductive components. In 2012, CND-tek expanded by investing in the construction of Henan Cilianda Electronics Co., Ltd., which now serves as the main production base. The company's product portfolio includes network transformers, isolated transformers, wireless charging coil modules, and various connecting wires. With a commitment to honest management, CND-tek strives to provide customers with superior quality and service. The company has developed a robust quality system encompassing every stage of the process, from product development, design, and production, to testing and post-production service. Under its ISO9001:2008 quality management system, CND-tek places a strong emphasis on understanding customer needs and ensuring the efficient impl