Alliance Memory LRSE-18-075-A-00-10-A for sale
Alliance Memory LRSE-18-075-A-00-10-A for sale

Alliance Memory LRSE-18-075-A-00-10-A

Manufacturer: Alliance Memory
Mfr. Part #: LRSE-18-075-A-00-10-A
Package: -
Customer #:
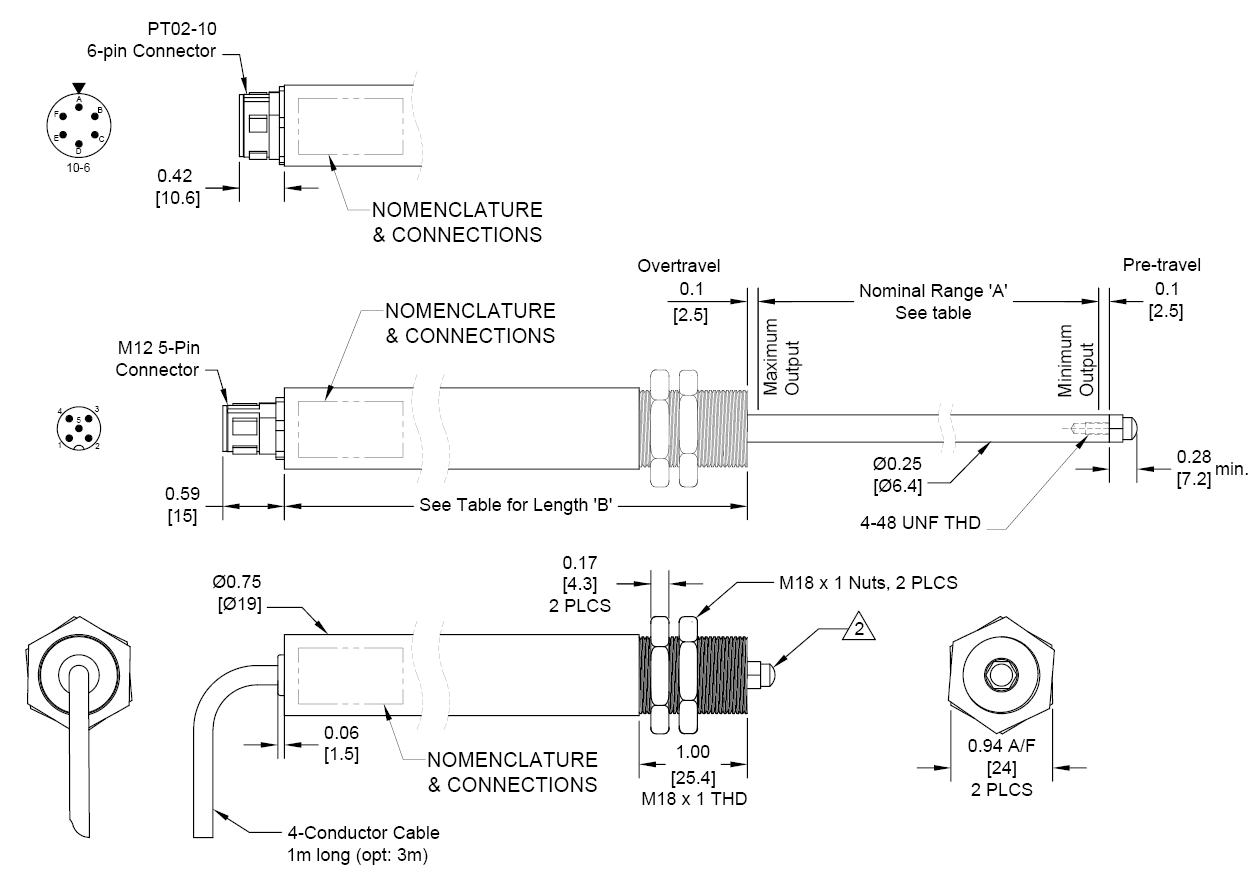
Description: 0mm~76.2mm Angle, Linear Position Measuring RoHS
Products Specifications
Manufacturer:
Package:
-
Linear Range:
0mm~76.2mm
Voltage - Supply:
0V~10V

Additional Information

Type Details
Minimum 1
Multiple 1
Standard Packaging 1
Sales Unit Piece

Compliance & Export Codes

Type Details
RoHS
ECCN EAR99
CNHTS 9031809090
USHTS 9031808070
TARIC 9031808000
CAHTS 9031800090
BRHTS 90318099
INHTS 90318000
MXHTS 9031.80.99

About Product

Alliance Memory LRSE-18-075-A-00-10-A Alliance Memory LRSE-18-075-A-00-10-A
Get Best Price
svg
Inquiry
Negotiate
Payment
Shipping
Alliance Memory
1251 Products
International Brand
American Alliance Memory is a semiconductor design and manufacturing company separated from Alliance Semiconductor (established in 1985) in 2006. Headquartered in California, USA, in the United Kingdom, Germany, France, Italy, Sweden, North America, South America, Japan, Taiwan, China, etc. There are sales outlets in many regions of the world, and the products cover: SRAM, SDRAM, DDR1, DDR2, DDR3 (2013 Q4 mass production); The memory chips produced by the American Alliance Memory company are mainly industrial grade storage devices with strong stability. Its SRAM product series is rich in variety, power supply range 3.3V-5V, storage capacity 64K~32Mb, speed from 10~20ns (fast asynchronous SRAM) to 55-70 ns (low power SRAM). Alliance also provides various series of SDRAM products for users, the capacity includes: 16M \ 64M \ 128M \ 256M \ 512M \ 1G. These products are widely used in many fields such as medical equipment, measuring instruments, power monitoring, portable meter reading, na