AKM AP1037AER for sale
AKM AP1037AER for sale
AKM AP1037AER for sale
AKM AP1037AER for sale

AKM AP1037AER

Manufacturer: AKM
Mfr. Part #: AP1037AER
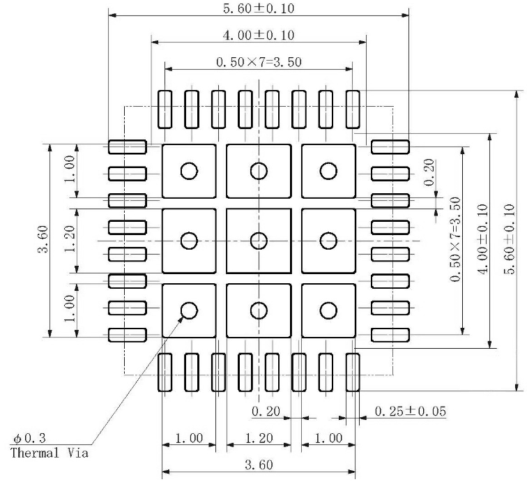
Package: QFN-24(4x4)
Customer #:
Description: QFN-24(4x4) Motor Drivers, Controllers RoHS
Datasheet: AKM AP1037AER
Products Specifications
Manufacturer:
Package:
QFN-24(4x4)
Operating Temperature:
-30℃~+85℃
Technology:
Yes
Output Current:
1.5A
Step Resolution:
1;2;4;8
Control Voltage:
-
RDS(on):
950mΩ
Interface:
-

About Product

AKM AP1037AER AKM AP1037AER AKM AP1037AER AKM AP1037AER AKM AP1037AER AKM AP1037AER AKM AP1037AER AKM AP1037AER AKM AP1037AER AKM AP1037AER
Get Best Price
svg
Inquiry
Negotiate
Payment
Shipping
AKM
302 Products
International Brand
AKM Semiconductor - AKM Semiconductor is a wholly owned subsidiary of Asahi Kasei Microdevices (AKM), Tokyo, Japan. AKMS, located in San Jose, California offers sales, marketing, and design support for North American customers. AKM designs and manufactures CMOS mixed signal integrated circuits for applications including audio, multimedia, data storage, and telecommunications.