AGM Microelectronics AG32VF407VGT6 for sale
AGM Microelectronics AG32VF407VGT6 for sale
AGM Microelectronics AG32VF407VGT6 for sale
AGM Microelectronics AG32VF407VGT6 for sale

AGM Microelectronics AG32VF407VGT6

Manufacturer: AGM Microelectronics Asian Brands
Mfr. Part #: AG32VF407VGT6
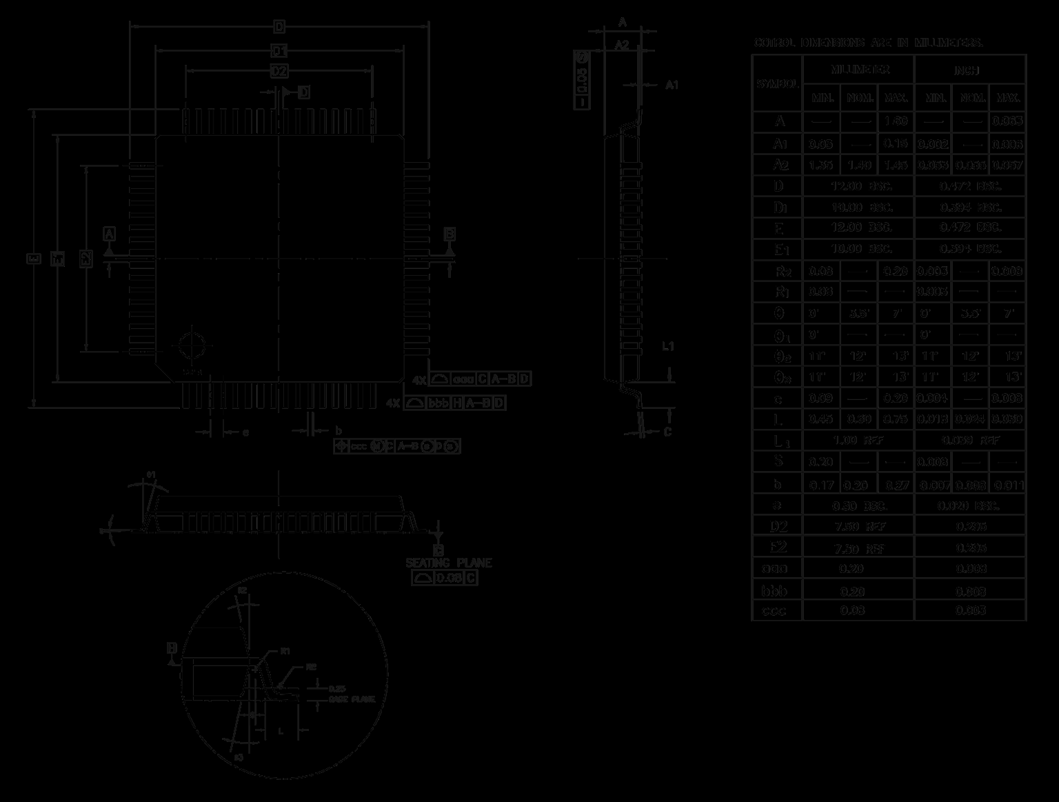
Package: LQFP-100
Customer #:
Description: LQFP-100 Microcontrollers RoHS
Products Specifications

Additional Information

Type Details
Minimum 1
Multiple 1
Standard Packaging 90
Sales Unit Piece

Compliance & Export Codes

Type Details
RoHS
ECCN -
CNHTS 8542319090
USHTS -
TARIC -
CAHTS -
BRHTS -
INHTS -
MXHTS -

About Product

AGM Microelectronics AG32VF407VGT6 AGM Microelectronics AG32VF407VGT6 AGM Microelectronics AG32VF407VGT6 AGM Microelectronics AG32VF407VGT6 AGM Microelectronics AG32VF407VGT6 AGM Microelectronics AG32VF407VGT6 AGM Microelectronics AG32VF407VGT6 AGM Microelectronics AG32VF407VGT6 AGM Microelectronics AG32VF407VGT6 AGM Microelectronics AG32VF407VGT6
Get Best Price
svg
Inquiry
Negotiate
Payment
Shipping
AGM Microelectronics
24 Products
Asian Brand
AGM Microelectronics, the leading provider of SoC solutions based on programmable technology, is a fabless company engaged in programmable chip design established in 2012 for consumer, industrial, and AI SoC application mass markets. The members of AGM team have rich working experience in famous Programmable companies of Silicon Valley US, and in China. AGM has developed the Programmable SoC products family with silicon in volume production, and own intellectual IPs including compilation software(including AGM synthesis, place, route, timing, bitstream etc) and circuit.