ABRACON ABSTS5A2-34IM033M for sale
ABRACON ABSTS5A2-34IM033M for sale
ABRACON ABSTS5A2-34IM033M for sale
ABRACON ABSTS5A2-34IM033M for sale

ABRACON ABSTS5A2-34IM033M

Manufacturer: ABRACON
Mfr. Part #: ABSTS5A2-34IM033M
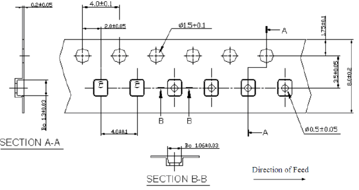
Package: SMD1109-5P
Customer #:
Key Attributes: 1842.5MHz SMD SAW Filter
Description: SMD1109-5P SAW Filters RoHS
Products Specifications
Manufacturer:
Package:
SMD1109-5P

Additional Information

Type Details
Minimum 1
Multiple 1
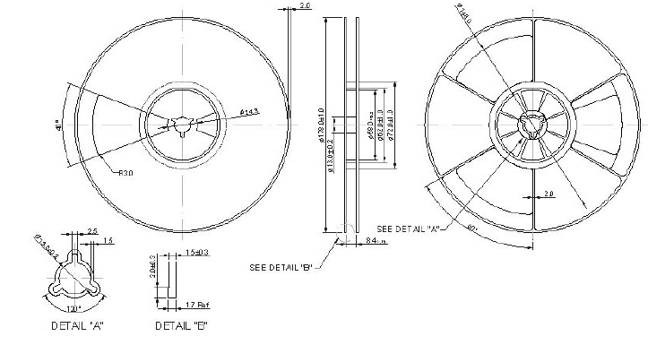
Standard Packaging 5000
Sales Unit Piece
Get Best Price
svg
Inquiry
Negotiate
Payment
Shipping
ABRACON
1800 Products
International Brand
Abracon Corporation, established in 1992, is a leading global supplier of Frequency Control, Signal Conditioning, Clock Distribution, and Magnetic Components. ABRACON has ISO9001-2000 quality certification and offers a wide range of high quality microprocessor crystals, crystal oscillators, SAW devices, and a complete line of magnetic components.