ABRACON AMPDDFI-A01 for sale
ABRACON AMPDDFI-A01 for sale

ABRACON AMPDDFI-A01

Manufacturer: ABRACON
Mfr. Part #: AMPDDFI-A01
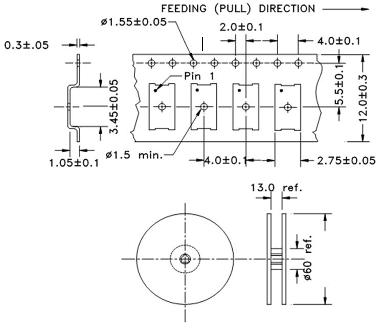
Package: VLGA-4
Customer #:
Description: VLGA-4 Programmable Timers and Oscillators RoHS
Products Specifications
Manufacturer:
Package:
VLGA-4

About Product

ABRACON AMPDDFI-A01 ABRACON AMPDDFI-A01 ABRACON AMPDDFI-A01 ABRACON AMPDDFI-A01 ABRACON AMPDDFI-A01 ABRACON AMPDDFI-A01 ABRACON AMPDDFI-A01 ABRACON AMPDDFI-A01 ABRACON AMPDDFI-A01 ABRACON AMPDDFI-A01
Get Best Price
svg
Inquiry
Negotiate
Payment
Shipping
ABRACON
1800 Products
International Brand
Abracon Corporation, established in 1992, is a leading global supplier of Frequency Control, Signal Conditioning, Clock Distribution, and Magnetic Components. ABRACON has ISO9001-2000 quality certification and offers a wide range of high quality microprocessor crystals, crystal oscillators, SAW devices, and a complete line of magnetic components.