ABRACON ARJC02-111006K for sale
ABRACON ARJC02-111006K for sale
ABRACON ARJC02-111006K for sale
ABRACON ARJC02-111006K for sale

ABRACON ARJC02-111006K

Manufacturer: ABRACON
Mfr. Part #: ARJC02-111006K
Package: Through Hole
Customer #:
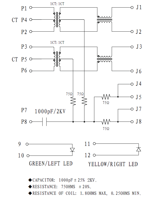
Description: 1 Shielded With LED Through Hole Modular/Ethernet Connector Jacks RoHS
Products Specifications
Manufacturer:
Package:
Through Hole
Connector Type:
-
Number of Ports:
1
Shielding:
Shielded
LED:
With LED

Additional Information

Type Details
Minimum 1
Multiple 1
Standard Packaging 100
Sales Unit Piece

About Product

ABRACON ARJC02-111006K ABRACON ARJC02-111006K
Get Best Price
svg
Inquiry
Negotiate
Payment
Shipping
ABRACON
1800 Products
International Brand
Abracon Corporation, established in 1992, is a leading global supplier of Frequency Control, Signal Conditioning, Clock Distribution, and Magnetic Components. ABRACON has ISO9001-2000 quality certification and offers a wide range of high quality microprocessor crystals, crystal oscillators, SAW devices, and a complete line of magnetic components.