3M P50-140P-R1-EA for sale
3M P50-140P-R1-EA for sale
3M P50-140P-R1-EA for sale
3M P50-140P-R1-EA for sale

3M P50-140P-R1-EA

Manufacturer: 3M
Mfr. Part #: P50-140P-R1-EA
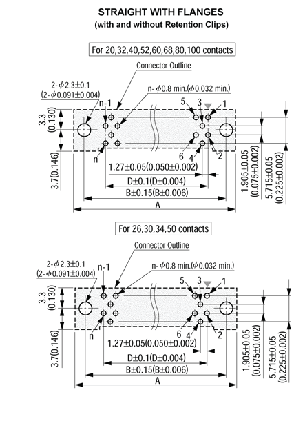
Package: Through Hole,P=1.27mm
Customer #:
Description: 1.27mm 2 140P Through Hole Through Hole,P=1.27mm Arrays, Edge Type, Mezzanine (Board to Board) RoHS
Products Specifications
Manufacturer:
Package:
Through Hole,P=1.27mm
Pitch:
1.27mm
Number of Rows:
2
Number of Pins:
140P
Contact Plating:
Gold
Mounting Type:
Through Hole

Additional Information

Type Details
Minimum 1
Multiple 1
Standard Packaging 200
Sales Unit Piece

About Product

3M P50-140P-R1-EA 3M P50-140P-R1-EA 3M P50-140P-R1-EA 3M P50-140P-R1-EA 3M P50-140P-R1-EA 3M P50-140P-R1-EA 3M P50-140P-R1-EA
Get Best Price
svg
Inquiry
Negotiate
Payment
Shipping
3M
6895 Products
International Brand
3M is a global, diversified technology company with a history spanning over a century, renowned for its innovation and extensive product lines. It primarily produces medical products, safety and protection products, office and educational supplies, as well as optical products.